Large Size Full Hex Body Inch Series
The first product line of its kind offering Rivet Nuts up to 3/4-10 (M20)
Features & Benefits:
The first product line of its kind offering Rivet Nuts up to 3/4-10 (M20)
Features & Benefits:
- Provide a Strong Thread in Thin Sheet Materials
- Can be Installed from One Side of the Work Piece
- Do Not Need to be Welded to the Base Material
- Available in a Round Body or a Full Hex Body For Increased Spin Out Resistance
- Plated with a RoHS Complaint Zinc Trivalent Clear Plating
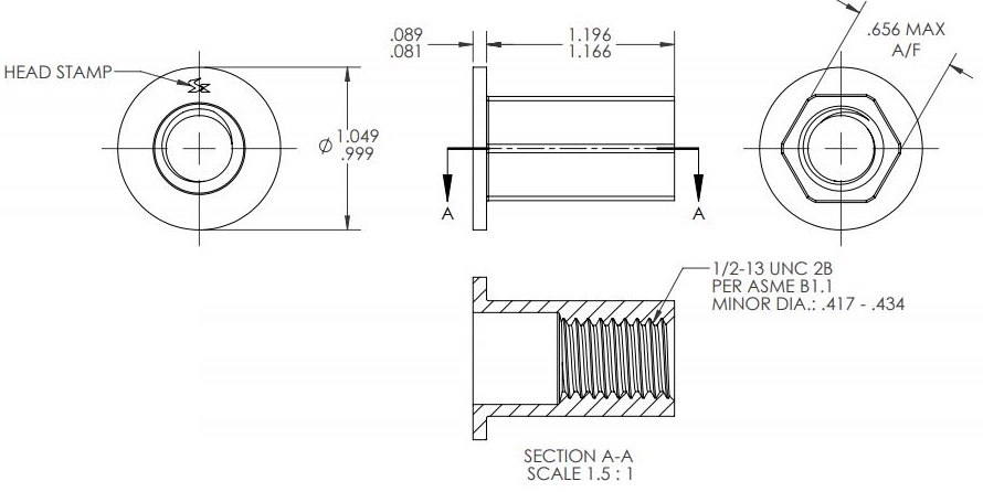
Dimensions |
N/A
|
Material |
N/A Steel 1010/1022 |
Thread Size |
N/A 1/2-13 UNC |
Grip Range
|
N/A .040 - .177 |
Length (L)
|
N/A 1.181 |
Head Thickness (HT)
|
N/A .085 |
Diameter (D) (A/F)
|
N/A .656 |
Installed Length (IL)
|
N/A .866 |
Hole Size (A/F)
|
N/A .656 |
Plating |
N/A RoHS Zinc Trivalent Clear |
Carton Quantity |
N/A 500 |
Features and Benefits |
N/A
Features & Benefits:
|
