Large Size Full Hex Body Inch Series

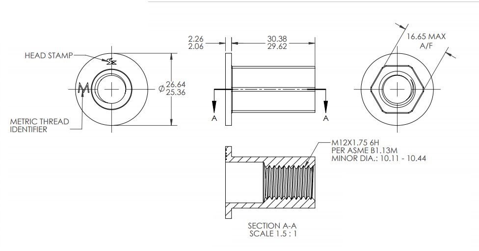
Dimensions

N/A


Material

N/A Steel 1010/1022

Thread Size

N/A M12x1.75 ISO

Grip Range
(Min.-Max.)

N/A 1.27 - 4.50

Length (L)
±.38

N/A 30.00

Diameter (D) (A/F)
Max.

N/A 16.65

Installed Length (IL)
Ref. (Millimeters)

N/A 22.00

Plating

N/A RoHS Zinc Trivalent Clear

Carton Quantity

N/A 500

Head Diameter (HD)
±.64

N/A 26.00

Head Thickness (HT)
±.10

N/A 2.16

Hole Size (A/F)
+.25/-.00

N/A 16.66

Features and Benefits

N/A

Features & Benefits:

  • Provide a Strong Thread in Thin Sheet Materials
  • Can be Installed from One Side of the Work Piece
  • Do Not Need to be Welded to the Base Material
  • Available in a Round Body or a Full Hex Body For Increased Spin Out Resistance
  • Plated with a RoHS Complaint Zinc Trivalent Clear Plating